загрузка...
 
4.  ТЕХНИКА И ТЕХНОЛОГИЯ ПОЛУЧЕНИЯ И ПРИМЕНЕНИЯ ЭКОЛОГИЧЕСКИ ЧИСТЫХ ЭЛЕКТРОХИМИЧЕСКИ АКТИВИРОВАННЫХ СТЕРИЛИЗУЮЩИХ, ДЕЗИНФИЦИРУЮЩИХ И МОЮЩИХ РАСТВОРОВ 4.1.Технологии получения электрохимически активированных растворов в установках СТЭЛ.
Повернутись до змісту

4.  ТЕХНИКА И ТЕХНОЛОГИЯ ПОЛУЧЕНИЯ И ПРИМЕНЕНИЯ ЭКОЛОГИЧЕСКИ ЧИСТЫХ ЭЛЕКТРОХИМИЧЕСКИ АКТИВИРОВАННЫХ СТЕРИЛИЗУЮЩИХ, ДЕЗИНФИЦИРУЮЩИХ И МОЮЩИХ РАСТВОРОВ 4.1.Технологии получения электрохимически активированных растворов в установках СТЭЛ.

 

Электрохимически активированные растворы для дезинфекции, предстерилизационной очистки и стерилизации изделий медицинской техники могут быть синтезированы только в установках типа СТЭЛ. Это объясняется тем, что в этих установках применяются электрохимические реакторы РПЭ, которые обладают некоторыми особенностями, существенно отличающими их от известных электрохимических систем. Реакторы РПЭ представляют собой блоки гидравлически параллельно соединенных диафрагменных проточных электрохимических модульных элементов третьего поколения (ПЭМ-3), технические и электрохимические параметры которых определяют соответствующие параметры реакторов РПЭ.

Ниже рассмотрены основные принципиальные гидравлические схемы электрохимических систем, использующихся в установках СТЭЛ для синтеза электрохимически активированных растворов для дезинфекции, предстерилизационной очистки и стерилизации.

Условные обозначения в принципиальных гидравлических схемах электрохимических процессов:

 

RPE - реактор электрохимический РПЭ в виде одного или нескольких (блок) диафрагменных проточных электролитических модульных элементов (элементов ПЭМ);

P - насос;

PR -  регулятор давления;

D - дренаж;

V - вентиль регулирующий;

R - гидравлическое сопротивление;

М - смеситель;

S - сепаратор для отделения газа от  жидкости;

F - флотационный реактор для отделения частиц твердой фазы от жидкости;

С - каталитический реактор;

Еt - промежуточная емкость для выдержки во времени реакционной среды до завершения химических реакций;

EAUX - емкость циркуляционного контура для вспомогательного электролита;

W - вода питьевая;

A - полученный в установках СТЭЛ электрохимически активированный анолит кислотный для использования в медицине (рН < 5,0;   ОВП = + 800 ... + 1200 мВ. Значения ОВП здесь и далее приводятся для системы измерительного платинового электрода относительно хлорсеребряного электрода сравнения);

AN - полученный в установках СТЭЛ электрохимически активированный анолит нейтральный для использования в медицине (pH = 6,0 ± 1,0; ОВП = +600 ... + 900 мВ);

ANK - полученный в установках СТЭЛ электрохимически активированный анолит нейтральный для использования в медицине (рН = 7,7 ± 0,5; ОВП = + 250 ... + 800 мВ);

AND - полученный в установках СТЭЛ электрохимически активированный анолит нейтральный для использования в медицине (рН = 7,3  ± 0,5; ОВП = +700 ... + 1100 мВ);

К - полученный в установках СТЭЛ католит (рН > 9,0;      ОВП = - 700 ... - 820 мВ).

4.1.1. Электрохимически активированные растворы анолита и католита  типа A и К. Принципиальная гидравлическая схема получения кислотного анолита типа A и щелочного католита типа К изображена на рис. 4.1. Питьевая вода из крана смешивается в водоструйном насосе Р с концентрированным (более 100 г/л) раствором поваренной соли и поступает в анодную и катодную камеры электрохимического реактора RPE. Концентрация соли в воде, протекающей через электродные камеры реактора, не должна превышать 5 г/л по условиям синтеза электрохимически активированных растворов. На выходе реактора соответственно получают анолит А и католит К. В процессе электрохимической обработки в реакторе РПЭ протекают следующие катодные реакции:

                                    2H2O + 2Na+ + 2e  ®  2NaOH + H2

                                               2H2O  + 2e  ®  H2 + 2OH-

Рис. 4.1.  Принципиальная гидравлическая схема получения электрохимически активированных анолита А и католита К

Вторая реакция является ответственной за метастабильное состояние воды и ее доля в общем энергетическом балансе электрохимического процесса увеличивается по мере снижения концентрации хлорида натрия в растворе от приблизительно 40 % при концентрации хлорида натрия 5 г/л, доходя практически до 100 % для дистиллированной воды.

Ион гидроксила образует с молекулой воды ион H3O2-, который активно взаимодействует с различного рода загрязнениями, обеспечивая аномально высокую моющую активность католита. Ионы гидроксила в виде соединений типа H3O2- , удерживаемых на межфазных поверхностях микропузырьков водорода, могут существовать в католите достаточно долго, сохраняя его свойства как эффективного моющего агента.

Наряду с указанными выше первыми двумя основными реакциями в катодной камере могут протекать дополнительные процессы. Растворенный в воде кислород может восстанавливаться на катоде с образованием молекулярных ионов НО2-, О2-, ОН- и пероксида водорода:

О2 + е ® О2- ;

О2-  + Н+  ® НО2 ;

О2  + Н2О + 2е  ® НО2- + ОН- ;

О2  + 2Н2 + 2е  ® Н2О2  + 2ОН- .

          При переходе электрона из катода на катион гидроксония (H3O+), присутствующий в воде благодаря ее диссоциации (Н2О « Н+ + ОН- ), происходит образование свободного радикала Н :

Н+  +  е   ®   Н.

          В результате дальнейшей рекомбинации возникает ряд высокоактивных  соединений: 

Н  +  Н   ®   Н2 ;

Н   +  Н2О  ®  ОН  +  Н2 ;

ОН   +  ОН  ®  Н2О2;

Н2О2  +  ОН  ®  НО2  +  Н2О;

Н2О2   «   Н+  +  НО2-

          Самопроизвольный распад пероксида водорода в активированном католите  протекает с образованием весьма химически активных частиц и включает следующие стадии:

Н2О2 + ОН- « НО2- + Н2О ;

ОН-  + НО2- « О22- + Н2О ;

О22- + Н2О2 ®  О2 - + ОН-  + ОН ;

ОН  + Н2О2  ®   Н2О .

          Наличие неустойчивых реакционно способных соединений в активированном католите подтверждается не только релаксацией рН во времени, но также данными анализа окислительно-восстановительных потенциалов.

          В анодной камере реактора РПЭ протекают реакции, продуктами которых являются биоцидные соединения кислотного анолита (подчеркнуты):

2Cl- - 2e ® Cl2

2H2O - 4e ® 4H+ + O2

Cl2 + H2O « HClO + HCl

2H2O - 3e ® HO2 + 3H+

Рис. 4.2. Содержание форм активного хлора в водном  растворе в эависимости от рН

 

Применение кислого анолита в медицинской практике ограничено из-за высокого содержания свободного хлора, присутствие которого увеличивает не только коррозионную активность, но и его токсичность. Количество свободного хлора в кислом анолите зависит от рН (см. рис. 4.2) и минерализации исходного раствора хлорида натрия и определяется уравнением:

 [Cl2] / [HClO] = const [H+] x [Cl-].

Таким образом, снижение концентрации Cl2  в анолите типа «А» возможно путём снижения концентрации хлорид-ионов или увеличения рН в сторону нейтральных значений.

 

4.1.2. Электрохимически активированный анолит типа АН.     На рис. 4.3 изображена принципиальная гидравлическая схема электрохимической системы для получения анолита типа АН. Приготовление исходного водно-солевого раствора для подачи в электрохимический реактор осуществляется так же, как и в схеме на рис.4.1. Основной объем исходного раствора (более 99 %) с концентрацией соли менее 5 г/л подается в анодную камеру реактора РПЭ, давление в которой в процессе работы должно быть выше, чем давление в катодной камере на 0,2 - 0,4 кгс/см2.. Катодная камера реактора РПЭ соединена с циркуляционной емкостью EAUX , образуя замкнутый циркуляционный контур вспомогательного электролита. Основным источником пополнения циркуляционного контура католита является анодная камера реактора РПЭ, из которой через диафрагму в катодную камеру проникают ионы натрия вместе с водой, окружающей их и составляющей гидратные оболочки. Гидравлическое сопротивление R на линии между входом подсоленной воды в анодную камеру и нижней частью катодного циркуляционного контура, предназначено для заполнения циркуляционной емкости католита в момент запуска электрохимической системы и капельной подачи исходного раствора в циркуляционный контур в процессе работы. На катоде реактора РПЭ происходит основная реакция разложения воды с образованием щелочи:

2H2O + 2Na+ + 2e  ®  2NaOH + H2

На аноде реактора РПЭ протекают следующие реакции:

Рис. 4.3. Принципиальная гидравлическая схема получения анолита типа АН

2Cl- - 2e ® Cl2

2H2O - 4e ® 4H+ + O2

Cl2 + H2O « HClO + HCl

HCl + OH-  ® Cl- + H2O

O2  +  2OH- - 3e  ®   O3 + H2O

OH- - e ®  HO·

HO2- - e ®  HO2

2H2O - 3e ® HO2 + 3H+ 

Основным активным компонентом в растворе АН является хлорноватистая кислота, являющаяся самым сильным окислителем в ряду ClO- < Cl2 < HClO. Нейтральный анолит не обладает столь резким запахом свободного хлора, как кислый анолит, т.к. ни раствор, ни газовая фаза практически не содержат Сl2. Основными компонентами газовой фазы нейтрального анолита являются  Сl2O и кислород.

Окислительные процессы в растворах нейтрального анолита в значительной степени обусловлены действием атомарного кислорода, образующегося в растворах активного хлора в условиях нейтральных и слабо-кислых значений рН (5,0 < pH < 7,0) в результате разложения HClO и ClO-:

НClO ® HCl + O· ;

2HClO ® H2O + Cl·  + O·.

Возможен также механизм образования атомарного кислорода в результате взаимодействия ClO-/ HClO c пероксидом водорода, образующимся в результате разряжения гидроксид-ионов (ОН-) на аноде:

OH- - e ® OH· .

Рис. 4.4. Принципиальная гидравлическая схема получения анолита типа АНК

4.1.3. Электрохимически активированный анолит типа АНК.  Как видно из рис. 4.4, процесс получения анолита АНК сводится к нескольким основным операциям: катодная обработка потока разбавленного до концентрации менее 5 г/л раствора хлорида натрия (исходный раствор), затем, разрушение свободных радикалов и других соединений с повышенной химической активностью (с высокими степенями восстановления), которые поступили в католит во время катодной обработки (для этого используется либо специальное ингибирующее покрытие на поверхности катода, либо отдельный каталитический реактор), затем, отделение части католита вместе с газообразным водородом во флотационном реакторе и сброс этих продуктов в дренаж, а затем - анодная обработка оставшегося после этих операций потока католита в анодной камере.

          Наличие гидравлических сопротивлений потоку обрабатываемого раствора обусловливает различие давлений в электродных камерах электрохимического реактора РПЭ: давление в катодной камере превышает давление в анодной на величину от 0,1 до 0,3 кгс/см2. 

          При обработке разбавленного раствора хлорида натрия (менее 5 г/л) в катодной камере, протекают следующие основные химические реакции.

2H2O + 2Na+ + 2e  ®  2NaOH + H2 

2H2O  + 2e  ®  H2 + 2OH-

В условиях неравновесного электрохимического процесса, когда проникновение ионов натрия из анодной камеры в катодную за счет электромиграции затруднено вследствие встречного действия потока католита сквозь поры диафрагмы под действием перепада давления, нескомпенсированные противоионами (катионами натрия, калия) ионы гидроксила проникают сквозь диафрагму в анодную камеру благодаря двум совпадающим по направлению силам - перепаду давления на диафрагме и электрофоретическому действию электрического поля в межэлектродном пространстве, которое значительно увеличивается в порах диафрагмы благодаря дополнительной разности потенциалов между ее поверхностями, обращенными к аноду и катоду, за счет адсорбированных высокозаряженных катионов и анионов соответственно. Они принимают участие в реакции нейтрализации ионов гидроксония в анодной камере, несколько уменьшая тем самым выход биоцидных продуктов анодного синтеза:

H+   +   OH-   ®  H2O

Данная реакция имеет место по всей длине анодной камеры элемента ПЭМ с постепенно увеличивающейся интенсивностью по мере продвижения анолита от входа к выходу (снизу вверх) в соответствии с изменением концентрации свободных гидроксильных ионов по высоте катодной камеры элемента ПЭМ.

 

Если исходная вода имеет высокое значение рН, например, в пределах от 8 до 9, то для достижения необходимого для анолита АНК значения рН на выходе из анодной камеры требуется сбрасывать в дренаж до 35 % католита, что не всегда является приемлемым. Кроме того, вышеописанные реакции также являются факторами, заставляющими увеличивать сброс католита для получения наивысшей биоцидности раствора АНК.

 

В анодной камере реактора РПЭ протекают следующие реакции, в ходе которых образуются биоцидные компоненты анолита АНК (подчеркнуты):

2Cl- - 2e ® Cl2 ;

2H2O - 4e ® 4H+ + O2 ;

Cl2 + H2O « HClO + HCl;

HCl + NaOH  ® NaCl + H2;

Cl- + 2OH-  - 2e  ®  ClO- + H2O;

3OH- - 2e ®  HO2- + H2O;

HO2- - e ®  HO2;

OH- - e ®  OН·;

·  + OН·  ®   H2O2;

НClО  + H2О2   ®  НCl  + О2  +  H2O;

ClО- + H2О2   ®  1О2  + Cl·  +   H2O.

          Несмотря на то, что хлорноватистая кислота является наиболее сильным окислителем в ряду ClO- < Cl2 < HClO, наибольшей окислительной активностью обладают растворы  активного хлора со значениями   рН » 7,3...7,8. Это объясняется тем, что при таких значениях рН концентрации HClO и ClO- примерно одинаковы, а так как они являются сопряженными кислотой и основанием

(HClO + H2O ® H3O+ + ClO-, ClO- + H2O ® HClO + OH-), то реакции в этих растворах относятся к типу реакций общего кислотно-основного катализа. Кроме того, реакции, протекающие в средах близких к нейтральным, катализируются ионами OH- и Н+, т.е. все реакции, протекающие в растворах активного хлора в среде с рН » 7,3...7,8, являются катализируемыми.

 

Несмотря на отделение газообразного водорода во флотационном реакторе, газовая фаза растворов АНК отличается от газовой фазы анолитов АН, поскольку включает в себя не только анодную газовую фазу, но и катодную, состоящую в основном из микропузырьков водорода. Наличие водорода в составе анолита снижает значение окислительно-восстановительного потенциала в первые полчаса после получения, по сравнению со значением ОВП нейтрального анолита, получаемого по схеме АН (рис. 4.3) При обработке твёрдой поверхности анолитом АНК на фоне процесса окисления идёт процесс пассивации поверхности за счёт прилипания микропузырьков водорода к обрабатываемой поверхности, действие микропузырьков водорода в растворе АНК аналогично катодной защите, т.к. они снижают окислительно-восстановительный потенциал обрабатываемой поверхности. Таким образом, коррозионная активность анолита АНК в первые полчаса после получения, ниже коррозионной активности анолита АН. Однако, в процессе хранения, по мере дегазации растворов, происходит увеличение ОВП до значений соответствующих значениям анолита АН при равных значениях рН и концентрации активного хлора. Наличие микропузырьков водорода в растворе АНК позволяет объяснить тот факт, что моющая активность этих растворов превосходит моющую активность анолита АН, т.к. имея на своей поверхности катионы Na+ , они выступают как поверхностно-активные вещества. Это также объясняет более высокую активность анолита АНК по сравнению с анолитом АН в условиях высокой органической нагрузки. При проведении тестов на микробиологическую активность было установлено, что использование анолита АНК позволило снизить необходимую концентрацию оксидантов по сравнению с растворами нейтрального анолита. На основании всех представленных выше особенностей, анолит АНК (рН = 7,8±0,5) с концентрацией активного хлора 250 ±50 мг/л был рекомендован для обработки гибких эндоскопов в системе “Эндостерил”.

 

Рис. 4.5. Принципиальная гидравлическая схема получения анолита типа АНК

На рис. 4.5 приведена принципиальная гидравлическая схема электрохимической системы для получения анолита типа АНК при поддержании в реакторе РПЭ обратного градиента давления, т.е., с превышением давления в анодной камере над давлением в катодной и при заполнении катодной камеры концентрированным солевым раствором. Данная система, разработанная в 1998 г. В.Бахиром и Ю.Задорожним, состоит из диафрагменного проточного электрохимического реактора  РПЭ; емкости вспомогательного электролита EAUX; флотационного реактора F; водоструйного насоса P, вентилей регулируемых V1 и V2, а также гидравлических линий, соединяющих эти устройства. Катодная камера реактора RPE соединена гидравлическими линиями с емкостью вспомогательного электролита EAUX и таким образом включена в замкнутый циркуляционный контур для вспомогательного электролита. Выход из этого циркуляционного контура находится в верхней части емкости EAUX  и соединен со входом в водоструйный насос Р, который может создавать вакуум во всасывающей линии в пределах от  минус 0,4 до  минус 0,6 атмосфер за счет протекающей в нем водопроводной воды. Вход в катодный циркуляционный контур находится в нижней части емкости EAUX  и соединен с сосудом концентрированного солевого раствора (более 100 г/л) через вентиль V1.  Выход водоструйного насоса Р соединен со входом в герметичный (работающий под избыточным давлением) флотационный реактор F. Выход флотошлама (жидких и газообразных продуктов) реактора F размещен в верхней его части и снабжен регулировочным вентилем V2. Выход для очищенной жидкости размещен в нижней части флотационного реактора и соединен со входом в анодную камеру электрохимического реактора РПЭ. Выход анодной камеры реактора РПЭ является свободным и предназначен для отбора конечного продукта - анолита типа АНК для мойки, дезинфекции и стерилизации изделий медицинской техники. Система работает следующим образом. В катодном циркуляционном контуре, заполненном концентрированным солевым раствором (более   100 г/л) за счет потока водопроводной воды, протекающей через водоструйный насос Р создают вакуум в пределах от минус 0,4 до минус 0,6 атм.

При открытом вентиле V1 заполняют циркуляционный контур католита концентрированным солевым раствором (более 100 г/л). Включают источник питания и подают на электроды реактора РПЭ постоянное напряжение. При помощи вентиля V1, ограничивающего поступление насыщенного солевого раствора в цирку-ляционный контур католита, устанавливают требуемое значение силы тока. Вентилем V2 осуществляют регулирование рН анолита АНК: чем больший поток католита направляется в дренаж, тем ниже рН раствора анолита АНК.

У катода основной реакцией является образование гидроксида натрия и выделение водорода:

2H2O + 2Na+ + 2e  ®  2NaOH + H2

Это обусловлено высокой концентрацией солевого раствора, заполняющего катодный циркуляционный контур.

У анода на начальном участке движения анолита в анодной камере происходят следующие реакции:

2Cl- - 2e ® Cl2;

2H2O - 4e ® 4H+ + O2 ;

Cl2 + H2O « HClO + HCl;

HCl + NaOH  ® NaCl + H2.

В дальнейшем, после удаления части ионов натрия из анодной камеры через диафрагму в катодную камеру, что постоянно имеет место в процессе работы электрохимического реактора благодаря двум силам, действующим однонаправленно - перепаду давления на диафрагме и электрофоретическому действию электрического поля в межэлектродном пространстве, имеют место следующие реакции:

H+  +  OH-  ®   H2O;

Cl- + 2OH-  - 2e  ®  ClO- + H2O;

3OH- - 2e ®  HO2- + H2O;

HO2- - e ®  HO2;

OH- - e ®  HO·;

HO·  + HO·  ®   H2O2;

НClО  + H2О2   ®  НCl  + О2  +  H2O;

ClО- + H2О2   ®  1О2  + Cl·  +   H2O.

 

Преимущества системы получения АНК, изображенной на рис.4.5 перед системой, изображенной на рис. 4.4:

 

1. Экономия электроэнергии на 30 - 40 %, поскольку снижается электрическое сопротивление электрохимического реактора за счет заполнения одной из его камер (катодной) концентрированным солевым раствором.

2. Возможность снижения общей минерализации анолита АНК без ухудшения его биоцидных свойств при пониженном содержании биоцидных веществ (использование известного эффекта увеличения метастабильности и, следовательно, биоцидности, при уменьшении общей минерализации).

3. Возможность увеличения биоцидной активности анолита при равной с прототипом концентрации биоцидных веществ и меньшей общей минерализации анолита (использование того же эффекта).

4. Уменьшение сброса католита на 3 - 5 % за счет исключения вредных побочных реакций.

 

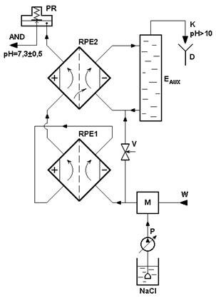
Рис.4.6. Принципиальная гидравлическая схема получения анолита типа АНД

4.1.4. Электрохимически активированный анолит АНД.  Для получения анолита типа АНД В.Бахиром, Ю.Задорожним и С.Паничевой разработано несколько гидравлических схем.  Ниже приведена наиболее простая из них (рис. 4.6). Система для получения анолита нейтрального АНД состоит из двух диафрагменных проточных электрохимических реакторов РПЭ1 и РПЭ2, каждый из которых представляет собой либо единичный диафрагменный элемент проточный электрохимический модульный  ПЭМ-3, либо блок этих элементов, соединенных гидравлически параллельно; емкости вспомогательного электролита EAUX, соединенной гидравлически параллельно с катодной камерой реактора РПЭ2; дозировочного насоса P, регулятора давления «до себя» PR, смесителя М, вентиля регулируемого V, а также гидравлических линий, соединяющих эти устройства.

Смеситель М соединен с линией подачи водопроводной воды W под избыточным давлением, например, от водопроводного крана, а также с нагнетательной линией дозировочного насоса Р для подачи концентрированного солевого раствора (раствора хлорида натрия с концентрацией более 100 г/л).

 

Выход смесителя М соединен со входом катодной камеры реактора РПЭ1 и, через регулировочный вентиль V, - с циркуляционным контуром католита реактора РПЭ2. Выход катодной камеры реактора РПЭ1 соединен со входом анодной камеры этого же реактора. В свою очередь, выход анодной камеры реактора РПЭ1 соединен со входом анодной камеры реактора РПЭ2. На выходе анодной камеры реактора РПЭ2 установлен регулятор давления «до себя» PR.  Готовый продукт - анолит типа АНД - отводится из выходного штуцера регулятора давления PR. Выход циркуляционного контура реактора РПЭ2 находится в верхней части емкости EAUX  и направлен в дренаж.

          Система работает следующим образом. В катодную камеру реактора РПЭ1 поступает подсоленная водопроводная питьевая вода (концентрация хлорида натрия составляет от 1 до 5 г/л). В катодной камере этого реактора протекают следующие основные химические реакции:

2H2O + 2Na+ + 2e  ®  2NaOH + H2

2H2O  + 2e  ®  H2 + 2OH-    

После выхода из катодной камеры весь поток католита вместе с растворенным и газообразным водородом поступает в анодную камеру этого же реактора, где происходят следующие основные реакции:

2Cl- - 2e ® Cl2; 

2H2O - 4e ® 4H+ + O2 ; 

Cl2 + H2O « HClO + HCl;   

HClO +OH- ® ClO-+ H2O; 

HCl + NaOH  ® NaCl + H2 ; 

H+ +OH- ® H2O;    

HCl +OH- ® Cl- + H2O.

Единственным биоцидным соединением, образующимся в анодной камере реактора РПЭ1 при подаче в нее всего потока жидких и газообразных продуктов из катодной камеры в условиях практически одинакового давления в электродных камерах реактора, является гипохлорит-ион. Весь поток жидкости с растворенными водородом и кислородом, а также вместе с газообразными водородом и кислородом, поступает в анодную камеру реактора РПЭ2, давление в которой больше, чем давление в катодной камере (в циркуляционном контуре католита) на величину от 0,1 до 0,4 кгс/см2.

В анодной камере реактора РПЭ2 осуществляется постоянное удаление  ионов натрия через диафрагму в катодную камеру. Этот процесс происходит благодаря двум силам, действующим однонаправленно - перепаду давления на диафрагме и электрофоретическому действию электрического поля. При этом  в межэлектродном пространстве имеют место следующие реакции:

2Cl- - 2e ® Cl2

2H2O - 4e ® 4H+ + O2

Cl2 + H2O ® HClO + HCl

HCl + OH-    ® Cl-   + H2 О 

Cl-  + 2 H2 O - 4 e  ® HClO2 + 3 H+

Cl- + 4 OH- - 5 e  ® ClO2 + 2 H2O

H+  + OH-  ®  H2O

Cl- + 2 H2 O  - 5 e ® ClO2 + 4 H+ 

O2 + H2O - 2e ® O3 + 2H+

O2  + 2 OH-  - 3 e ® O3 + H2O

3 OH-  - 2 e ®HO2-  + H2O

HO2-  -  e ®  HO2

OH- - e ®  HO·   

Н2О  -  е  ® HO·  +  Н+

H2O  -  2e   ®   2H+   +   O·

У катода реактора RPE2 основной реакцией является образование гидроксида натрия и выделение водорода:

2H2O + 2Na+ + 2e  ®  2NaOH + H2

Это обусловлено высокой концентрацией ионов натрия, проникающих под действием перепада давления через диафрагму в катодный циркуляционный контур вместе с частью воды, составляющей гидратные оболочки ионов натрия.

 

Анолит типа АНД является приблизительно в 10 раз более сильным биоцидным агентом, нежели анолит АНК.

 




загрузка...