загрузка...
 
6.  ТЕХНИКА И ТЕХНОЛОГИЯ ОЧИСТКИ ВОДЫ В ЭЛЕКТРОХИМИЧЕСКИХ СИСТЕМАХ ИЗУМРУД
Повернутись до змісту

6.  ТЕХНИКА И ТЕХНОЛОГИЯ ОЧИСТКИ ВОДЫ В ЭЛЕКТРОХИМИЧЕСКИХ СИСТЕМАХ ИЗУМРУД

 

Таблица 6.1.

Общие представления о системах очистки воды.

 

Реальная вода представляет собой водный раствор веществ в различном агрегатном состоянии сложного химического состава. В ней содержатся ионы неорганических соединений ( Na+, K+, Ca2+, Mg2+, Fe3+, Fe2+, Al3+,  NH4+, Cl-, HCO3-, SO42-,  NO3-, NO2-, F-, SiO32-, HS- , CO32-  и др.), растворенные газы (O2, CO2, N2, H2S), мельчайшие частицы твердых примесей, органические вещества природного и искусственного происхождения, микроорганизмы и продукты их жизнедеятельности. Размеры частиц, содержащихся в воде, могут быть в пределах от нескольких десятитысячных долей микрона до 100 и более микрон, т.е. различаются более чем в десять миллионов раз. В таблице 6.1 приведены средние размеры частиц различной природы, которые могут находиться  в воде, в зависимости от их веса, а также показаны диапазоны размеров поровых каналов различных фильтрующих элементов (мембран) с разделением их по типам фильтрационных процессов (обратный осмос, нано-, ультра- и микрофильтрация). Следует отметить, что размеры частиц в табл. 6.1 являются условными. Это так называемый средний размер, который определяется на основании известной плотности вещества и веса частицы из условия, что частицы имеют приблизительно сферическую форму. На самом деле большинство органических соединений, многие микроорганизмы, продукты их жизнедеятельности и отдельные фрагменты  структуры микроорганизмов имеют линейное строение и в зависимости от ориентации способны проходить через фильтрующий материал, размер пор которого условно считается для них непроницаемым. Например, антибактериальные фильтры, которые используют в медицине для фильтрации лекарственных препаратов имеют средний размер пор 0,22 микрона. Однако сквозь такие фильтры свободно проникают жгутики и пили бактерий, диаметр которых  от 25 до 7 нанометров (0,025 - 0,007 мкм). Получить воду, близкую к идеально чистой возможно с помощью обратноосмотических фильтрационных устройств с мембранами, размеры пор которых не превышают 0,0001 мкм, однако такая вода, если ее использовать для питья, оказывает весьма неблагоприятное воздействие на организм человека, поскольку лишена необходимых компонентов: ионов натрия, кальция, магния, фтора, хлора, сульфатов, карбонатов и многих других, которые обязательно должны присутствовать в питьевой воде.

 В процессе эволюционного развития в течение сотен тысяч лет организм человека адаптировался к потреблению природной пресной чистой воды, минерализация которой находится в пределах 0,2 - 1,0 грамм на литр, которая содержит небольшое количество органических веществ природного происхождения и в которой отсутствуют патогенные или условно патогенные микроорганизмы.

Таблица 6.2

Необходимые организму человека ионы металлов

Ион

 металла

Содержание в организме человека

Оптимальное дневное

 потребление

Na+

100 г

1 - 3 г

K+

140 г

2 - 5 г

Mg2+

25 г

0,7 г

Ca2+

1100 г

0,8 г

Cr3+

6 мг

0,1 мг

Mo6+

9 мг

0,3 мг

Mn2+

12 мг

4 мг

Fe3+

4 - 5 г

10 - 20 мг

Fe2+

4 - 5 г

10 - 20 мг

Co2+

1 мг

3 мкг

Ni2+

10 мг

6 мкг

Cu2+

0,1 г

3 мг

Zn2+

2 г

15 мг

 

В результате техногенной деятельности человека практически вся пресная вода поверхностных и подземных источников Земли оказалась загрязненной веществами-ксенобиотиками, которые являются чужеродными и ненужными для организма человека (детергенты, гербициды, пестициды, продукты переработки нефти и пр.). В процессе биотрансформации такие вещества нередко распадаются на более токсичные продукты, чем исходные соединения. Вещества-ксенобиотики оказывают угнетающее влияние на иммунную систему человека, приводят к различного рода органическим и функциональным расстройствам. Кроме того, в воде увеличилось содержание ионов, оказывающих токсическое действие на организм человека при любых, даже самых малых концентрациях (Hg2+, Pb2+, Cd2+), а также возросли до вредных концентрации ионов, полезных в микроколичествах (Fe3+, Fe2+ , Cu2+, Zn2+, Ni2+ и др.- см. табл. 6.2 ). В зависимости от степени отрицательного влияния на организм человека, металлы располагаются в последовательности, которая называется рядом токсичности металлов:  Hg > Ag > Cu > Zn > Ni > Pb > Cd > As > Cr > Sn > Fe > Mn > Al > Be > Li. В данном ряду каждый предшествующий элемент более токсичен, чем последующий.

В природной пресной  воде также увеличилось количество микроорганизмов, адаптированных к наличию веществ-ксенобиотиков и ионов тяжелых металлов, появились их новые формы, представляющие для человека намного большую опасность, чем ранее известные и хорошо изученные виды в связи с  повышенной резистентностью к традиционно используемым антисептическим средствам.

          Представление о том, что в процессе очистки воды c помощью фильтрационных или сорбирующих устройств возможно задержать все вредные вещества и сохранить  полезные  является в корне ошибочным. Разделить по признаку полезности десятки тысяч различных растворенных  веществ принципиально невозможно фильтрационными и сорбционными методами как взятыми отдельно, так и в любых возможных сочетаниях. Кроме того,  концентрирование содержащихся в воде полезных или вредных  веществ на поверхности фильтрующих мембран, в порах сорбента или на поверхности ионообменных материалов всегда приводит в первую очередь к задерживанию микроорганизмов, к ускоренному их размножению и усиленному выделению микробных токсинов в  воду при одновременном резком снижении фильтрующей, сорбирующей или ионообменной способности активных элементов водоочистительного устройства.

          Методы очистки воды, основанные на вводе биоцидных веществ (йода, брома, серебра) сопряжены с риском вредного влияния на организм человека. Обработка воды ультрафиолетовым облучением, ввод озона не обеспечивают эффективного обеззараживания при наличии в воде коллоидных частиц или органических соединений естественного или искусственного происхождения.

В установках ИЗУМРУД очистка воды основана на использовании природных окислительно-восстановительных процессов деструкции всех токсических веществ в природе, многократно ускоренных в специальных проточных диафрагменных электрохимических реакторах - элементах ПЭМ-3.

Уникальная конструкция элементов ПЭМ-3 обеспечивает соприкосновение всех микрообъемов протекающей через анодную или катодную электродную камеру воды с поверхностью электрода, у которой напряженность электрического поля (в так называемом двойном электрическом слое - ДЭС) составляет несколько миллионов вольт на сантиметр (эффект очистки дождевой воды во время грозы). При этом процессы естественной окислительно-восстановительной деструкции и нейтрализации токсических веществ ускоряются многократно как за счет прямых электрохимических реакций, так и благодаря участию в процессах очистки электрохимически синтезированных из самой очищаемой воды высокоактивных компонентов: озона, атомарного кислорода, пероксидных соединений, соединений активного хлора, в том числе, диоксида хлора, короткоживущих свободных радикалов. Элементы ПЭМ-3 в установках ИЗУМРУД используются также для электрофоретического удаления ионов из очищаемой воды. Это достигается путем выбора оптимальных гидравлических и электрических режимов работы элемента ПЭМ-3, при которых керамическая диафрагма элемента приобретает дополнительные функциональные свойства ионселективной перегородки, обладающей ярко выраженными электрокинетическими свойствами. Процессы очистки воды в установках ИЗУМРУД состоят из нескольких стадий, разделенных в пространстве и во времени, различных по виду активного воздействия на воду и содержащиеся в ней примеси. Это обеспечивает высокую эффективность и экологическую безопасность процессов очистки воды в установках ИЗУМРУД в сравнении с  другими известными методами. 

Идеология очистки воды в установках ИЗУМРУД кратко формулируется следующим образом: очистка в установках ИЗУМРУД должна обеспечивать удаление из воды всего, что вредно и чуждо организму человека (ксенобиотики) и сохранять все то, что полезно и не вредно, при этом в установке ИЗУМРУД не должно быть сменных элементов и ее следует только периодически очищать от отложений, которые образуются в процессе работы, но не ухудшают качество очистки воды, а лишь затрудняют ее проток.

 Реализованная в установках ИЗУМРУД, данная идеология позволяет во время протока воды через электрохимическую систему установки ИЗУМРУД, обеспечить уничтожение микроорганизмов всех видов и форм (бактерий, микобактерий, вирусов, грибов, спор, паразитов и микробных токсинов), одновременно путем электрохимической деструкции разрушить токсичные органические соединения (фенолы, тригалометаны, гербициды, пестициды, поверхностно-активные вещества), существенно снизить вероятность образования токсичных тригалометанов благодаря малым концентрациям свободного хлора в воде и, наконец, удалить (в более простых моделях установок ИЗУМРУД - обезвредить) ионы тяжелых металлов, в том числе железа. При этом в установках ИЗУМРУД отсутствуют элементы, функциональные свойства которых ухудшаются во время работы (традиционные фильтры, сорбенты, ионообменные смолы,  обратноосмотические мембраны) и которые требуют периодической замены.

 

 Ниже приведены основные виды обработки воды, которые используются в установках ИЗУМРУД  различных моделей при ее очистке.

 

1. Анодная  униполярная электрохимическая обработка. Основными процессами при униполярной электрохимической анодной обработке воды являются электролитическое, а также гетерофазное и жидкофазное электрокаталитическое окисление воды и содержащихся в ней веществ. В анодной камере элемента ПЭМ-3 вода в течение долей секунды насыщается высокоактивными окислителями: HClO, ClO2, ClO2-, O3, O2-, H2O2, OH·, HO2·.  Их концентрация в зависимости от режима электрохимической обработки может изменяться от 1 до 10 мг/л. Процессы прямого электролитического окисления (на поверхности электрода) и электрокаталитического окисления (на каталитически активных центрах поверхности электрода и в объеме воды с участием катализаторов-переносчиков) обеспечивают деструкцию органических примесей и уничтожение микроорганизмов. Аномально высокое значение окислительно-восстановительного потенциала воды непосредственно в анодной камере (свыше +2000 мВ при измерении платиновым электродом относительно хлорсеребряного электрода сравнения - х.с.э.) и метастабильные соединения активного хлора и активного кислорода, участвующие в реакциях, исключают образование токсичных хлорорганических веществ.

При переходе электронов из органических соединений на анод обычно возрастает число (или кратность) кислородсодержащих связей (C-O, N-O, S-O и т.п.), либо уменьшается число водородсодержащих связей (C-H, N-H, S-H и т.п.), например: RCHO ® RCOOH; R2CHCHR2 ® R2C=CR2.

Процессы окисления органических веществ являются первой стадией детоксикации в живых организмах. Например,  в ответ на попадание в организм человека или животных ксенобиотиков, в клетках печени повышается концентрация определенных форм фермента цитохорма Р-450, осуществляющего окисление ксенобиотиков. Продукты окисления органических веществ-ксенобиотиков, как правило, безвредны для организма, поскольку превращаются в гидрофильные, хорошо растворимые в воде соединения и легко выводятся экскреторными органами. В простейшем детоксицирующем цикле работают всего два типа  биомолекул - альбумин и цитохром Р-450. Альбумин выполняет транспортную функцию, цитохром Р-450 - окислительную. Попавшие в организм гидрофобные токсины (RH) образуют с альбумином комплекс (RHA), который и переносится в печень. Там этот комплекс (или свободный токсин) окисляются на цитохроме Р-450 с образованием гидрофильных продуктов (ROHA) или (ROH).

Анодная униполярная электрохимическая обработка по окислительному воздействию на много порядков превосходит природные процессы детоксикации. 

Ниже приведены некоторые реакции окислительной деструкции органических соединений в анодной камере элемента ПЭМ-3 в процессе очистки воды.

Разрушение формальдегида (HCHO), метилового спирта (CH3OH), карбамида ((NH2)2 CO) происходит до простых нетоксичных веществ в соответствии со следующими реакциями:

HCHO + 2H2O - 4e ® CO32- + 6H+;

CH3OH + 2H2O -6e ® CO32- + 8H+;

 (NH2)2CO + H2O - 6e ® N2 + CO2 + 6H+

Образующиеся в ходе реакций промежуточные продукты также разлагаются до простых нетоксичных соединений, например:

HCOO- + H2O -2e ® CO32- + 3H+

Аммиак (NH3), нитриты (NO2-), сероводород (H2S) в анодной камере элемента ПЭМ-3 разрушаются в соответствии с реакциями:

2NH3 - 6e ® N2 + 8H+

NO2- + 2OH- -2e ® NO3- + H2O

H2S - 2e ® S + 2H+ 

Если в воде присутствуют цианид-ионы (CN ) или комплексные ионы цианидов ([Cu(CN)3]2, [Zn(CN)4]2, [Cd(CN)4]2 и др.), то в процессе анодной обработки они распадаются с образованием цианат-ионов:

CN- + 2OH-- 2e ® CNO- + H2O

[Cu(CN)3]2 + 6OH - 6e ® Cu+ + 3CNO + 3H2O

Дальнейшее окисление приводит к образованию совершенно безопасных продуктов:

2CNO-+ 4OH-- 6e ®2СO2 + N2 + 2H2O

Деструкция фенолов при анодной обработке происходит с образованием нетоксичного продукта - малеиновой кислоты:

C6H5OH + 16OH - 16e ® HO2CCH=CHCO2H (цис) + 2CO2 + 5H2O

          При полном окислении фенолов конечными продуктами являются углекислый газ и вода.

Анодная униполярная электрохимическая обработка воды в схемах технологических процессов очистки воды в установках ИЗУМРУД обозначается «АТ» (Anode Treatment).

 

2. Катодная униполярная электрохимическая обработка. Основными процессами при униполярной электрохимической катодной обработке воды являются электролитическое, а также гетерофазное и жидкофазное электрокаталитическое восстановление в катодной камере электрохимического реактора воды и содержащихся в ней веществ. При катодной обработке в элементе ПЭМ-3 вода также в течение долей секунды насыщается высокоактивными восстановителями: ОН-,  Н2О2, НO2- , О2-, eaq. Это приводит к образованию нерастворимых гидроксидов тяжелых металлов (Men+ + nOH- ® Me(OH)n). Кроме того, в катодной камере происходит прямое электролитическое восстановление (на поверхности электрода), а также электрокаталитическое восстановление (в объеме воды с участием катализаторов-переносчиков и гидратированных электронов) многозарядных катионов тяжелых металлов: Men++ e ® Meo, например, Hg22+ + 2e ® 2Hg ;  Pb2+ + 2e ® Pb; Cu(NH3)2+ + e ® Cu + 2NH3.

 Указанные процессы снижают токсичность воды, обусловленную наличием ионов тяжелых металлов, за счет перевода их в естественную устойчивую, биологически неактивную форму существования в природе. Ионы тяжелых металлов в форме нерастворимых гидроксидов могут быть удалены из воды различными путями, например, отстаиванием, фильтрацией. В установках ИЗУМРУД с технологическими процессами очистки воды «Аметист» и «Топаз»  гидроксиды металлов и коллоидные взвеси практически полностью удаляются из воды в специальных электрокинетических реакторах. Однако, даже если гидроксиды тяжелых металлов после катодной обработки сохраняются в очищенной воде, как, например, в воде, очищенной с помощью установок типа ИЗУМРУД-М (технологический процесс очистки воды «Изумруд»),  то такая вода не представляет опасности, поскольку при попадании в желудок гидроксиды легко связываются энтеросорбентами (белками, полисахаридами), которые предохраняют их от растворения в кислой среде желудочного сока. Таким образом, они не растворяются в желудке и выводятся из организма естественным путем. Аналогичным образом внутренние сорбенты связывают хлопья солей жесткости, гидроксидов железа. Эти компоненты практически безвредны для организма. Однако их присутствие в питьевой воде меняет ее вкус и иногда нежелательно по органолептическим показателям.

          Кроме вышеописанных процессов в катодной камере элементов ПЭМ-3 со специальным каталитическим покрытием  происходит при определенных условиях реакция восстановления нитрат-ионов до азота:

2NO3- + 12H+ + 10e ® N2 + 6H2O

Катодная униполярная электрохимическая обработка воды в схемах технологических процессов очистки воды в установках ИЗУМРУД обозначается «СТ» (Cathode Treatment).

 

3. Электромиграционное удаление ионов. Регулируемый электромиграционный перенос ионов через диафрагму электрохимического реактора - это процесс, позволяющий удалять из воды избыточное количество ионов, в том числе ионов тяжелых металлов, нитратов, нитритов. Регулирование скорости и селективности электромиграционного переноса  достигается изменением плотности электрического тока, перепадом давления на диафрагме, выбором оптимальных физико-химических и  фильтрационных ее характеристик.

Процессы регулируемого электромиграционного переноса ионов в схемах технологических процессов очистки воды в установках ИЗУМРУД обозначаются «IT» (Ion Transport). При этом процесс переноса ионов из анодной камеры в катодную обозначается «ITa®c», из катодной камеры в анодную - «ITc®a», смешанный - «IT».

 

4. Флотация. Флотационная очистка воды протекает во флотационном реакторе, в который поступает вода, как правило, после катодной обработки в электрохимическом реакторе, насыщенная электрически активными микропузырьками водорода. Размеры микропузырьков водорода находятся в пределах 0,2 - 10 мкм. Электрическая активность пузырьков водорода обусловлена тем, что на границе раздела фаз “газ-жидкость” сосредоточены электрохимически активные неустойчивые продукты катодных реакций, такие, как Н2О2-, НO2- , О2-, eaq. На этой же границе концентрируются нерастворимые гидроксиды металлов и другие  коллоидные частицы. Удаление микропузырьков газа в обычном флотационном реакторе требует значительного времени вследствие их низкой скорости их всплывания. Интенсифицировать процесс отделения флотошлама в данных условиях помогает воздух, введенный в поток воды перед поступлением ее во флотационный реактор. Крупные пузырьки воздуха (0,5 - 2,0 мм) собирают на своей поверхности множество мелких пузырьков водорода с прилипшими частицами флотошлама и обеспечивают их быстрое всплытие. При этом, как показали последние исследования, происходит частичная коалесценция с потерей некоторого количества флотируемых материалов (до 40%).

Флотационная очистка воды с помощью пузырьков воздуха в схемах технологических процессов очистки воды в установках ИЗУМРУД обозначается «FT» (Flotation Treatment).

 

5. Электрофлотация. Этот процесс протекает во флотационном реакторе, в который поступает вода после катодной обработки в электрохимическом реакторе, насыщенная электрически активными микропузырьками водорода. Размеры микропузырьков водорода находятся в пределах 0,2 - 10 мкм. Электрическая активность пузырьков водорода обусловлена тем, что на границе раздела фаз “газ-жидкость” сосредоточены электрохимически активные неустойчивые продукты катодных реакций, такие, как Н2О2-, НO2- , О2-, eaq. На этой же границе концентрируются нерастворимые гидроксиды металлов и другие  коллоидные частицы. Удаление всех микропузырьков газа в обычном флотационном реакторе требует большого времени вследствие низкой скорости их всплывания. Поэтому в наиболее совершенных электрофлотационных реакторах для установок ИЗУМРУД удается отделить до 90% всех флотируемых частиц.

Электрофлотационная очистка воды с помощью пузырьков электролизных газов в схемах технологических процессов очистки воды в установках ИЗУМРУД обозначается «EFT» (Electro-Flotation Treatment).

 

6. Электрокинетическая очистка от гидроксидов тяжелых металлов и коллоидных взвесей.  Очистка воды от гидроксидов тяжелых металлов, в том числе, железа и других коллоидных взвесей осуществляется в электрокинетическом реакторе, где создаются условия для электростатического удерживания коллоидных частиц в зоне диффузионных слоев электрохимически активированных поверхностей минеральных кристаллов. Работа реактора основана на использовании электрокинетических явлений - электроосмоса, электрофореза, электрофильтрации, - известных из коллоидной химии. Благодаря толстым диффузным слоям (ионные слои Гуи-Чэпмена), окружающим минеральные частицы активной массы реактора, вода с низким окислительно-восстановительным потенциалом свободно протекает сквозь его загрузку, оставляя в диффузионных слоях активной массы реактора коллоидные частицы и другие коллоидные взвеси. Регенерация активной массы реактора осуществляется путем снятия зарядов с поверхностей минеральных кристаллов и удаления коллоидных взвесей промывкой водой.  Как правило, в электрокинетический реактор подают воду после катодной обработки с высоким восстановительным потенциалом, который индуцирует возникновение электрически активных ионно-гидратных оболочек вокруг минеральных кристаллических частиц активной массы реактора.

Электрокинетическая очистка воды в схемах технологических процессов очистки воды в установках ИЗУМРУД обозначается «EKT» (Electro-Kinetics Treatment).

 

7. Гетерофазная каталитическая деструкция соединений активного хлора. Гетерофазная каталитическая деструкция  соединений активного хлора и гетерофазное каталитическое окисление органических веществ осуществляется в каталитическом реакторе на поверхности гранул не требующего замены и регенерации катализатора, где происходит разрушение соединений активного хлора (HClO, ClО2·, HСlO·, ClO·) с образованием высокоактивных короткоживущих частиц: O·,  О, Cl·, OH·. Некоторые реакции каталитического разложения соединений активного хлора приведены ниже.

2HCIO ® 2CI + 2O + 2H+

CIO + HCIO ® 2CI + 2O + H+

CIO + CIO + OH ® 2CI + 2O + OH

2CIO ® 2CI + 2O

O + O ® O2

Активные частицы, образующиеся в процессе каталитического разложения соединений активного хлора обеспечивают деструктивное окисление широкой гаммы органических веществ, в том числе фенолов, хлорфенолов, диоксинов.

C6H5OH + 14O ® 6CO2 + 3H2O

C6H5OCI + 13O ® 6CO2 + 2H2O + HCI

Гетерофазная каталитическая деструкция соединений активного хлора в схемах технологических процессов очистки воды в установках ИЗУМРУД обозначается «HCD»  (Heterophase Catalytic Destruction).

 

8. Жидкофазное каталитическое окисление органических соединений. Жидкофазное каталитическое окисление органических соединений. В процессах такого типа, протекающих, в частности, в реакционной емкости для завершения окислительных реакций после обработки воды в анодной камере электрохимического реактора, окисление органических веществ протекает с участием промежуточных окислителей (медиаторов). Этими веществами являются акцепторы электронов, синтезированные у анода или доноры электронов, образующиеся при катодных электрохимических реакциях. Общим для реакций жидкофазного каталитического окисления или восстановления является то, что непосредственный окислитель или восстановитель генерируется и регенерируется на электроде электрохимического реактора.

          Некоторые реакции протекающие в жидкой фазе вдали от электродов элемента ПЭМ-3 приведены ниже. Элементоорганические соединения разрушаются озоном, образовавшимся в ходе предшествующих анодных реакций:

Pb(C2H5)4 + 2O3 ® PbO2 + 4CH3CHO; 

SiR4 + O3 ® R3SiOOH ® SiO2.

Пероксид водорода, который образуется как при анодных, так и при катодных реакциях обработки воды в реакторах установок ИЗУМРУД, участвует в реакциях разрушения сероводорода, других вредных и придающих воде неприятный запах веществ:

H2S + H2O2 ® S + 2H2O

Na2S + 4H2O2 ® Na2SO4 + 4H2O

SO32- + H2O2  ® SO42- + H2O

S2O32- + 4H2O2 + 2OH-  ®  2SO42- + 5H2O

2RSH + H2O2  ® RSSR  + 2H2O

RSR + H2O2  ® R2SO + H2O

RSSR + 5H2O2 + 2OH-  ®  2RSO3- + 6H2O

C6H5OH + 14H2O2   ®  6CO2 + 17H2O

CH3OH + 3H2O2   ®  CO2 + 5H2O

HCHO  + H2O2  ® HCOOH + H2O

RCHO + H2O2  ® RCOOH + H2O

HCOOH + H2O2  ® CO2 + H2O

R3N + H2O2  ® R3NO + H2O

N2H4 + 2H2O2 ® N2 + 2H2O

Конечными продуктами этих реакций являются совершенно нетоксичные, безвредные и безопасные для человека соединения.

В реакциях разрушения фенолов в воде после анодной обработки принимают также участие гипохлорит-ионы:

C6H5OH + 8CIO ® HO2CCH=CHCO2H (цис) + 8СI + 2CO2 + H2O.  

Жидкофазное каталитическое окисление органических соединений в схемах технологических процессов очистки воды в установках ИЗУМРУД обозначается  «LCO» (Liquidphase Catalytic Oxidation).

 

6.2. Технологические процессы очистки воды в установках ИЗУМРУД.

 

Серийно производятся установки ИЗУМРУД, в которых реализованы следующие технологические процессы очистки воды: «Изумруд», «Сапфир», «Кристалл», «Рубин», «Аквамарин», «Аметист» и «Топаз». Они отличаются последовательностью технологических операций (стадий) очистки воды и применяются для очистки питьевой воды в зависимости от ее исходных параметров.

На рис. 6.1-6.8 представлены принципиальные гидравлические схемы установок ИЗУМРУД всех типов. Условные обозначения, общие для всех приведенных на данных рисунках схем:

 RPE - реактор электрохимический РПЭ в виде одного или нескольких (блок) диафрагменных проточных электролитических модульных элементов (элементов ПЭМ); D - дренаж; R - гидравлическое сопротивление; М - смеситель; S - сепаратор для отделения газа от жидкости; F - флотационный реактор для отделения частиц твердой фазы от жидкости; С - каталитический реактор; Еt - промежуточная емкость для выдержки во времени реакционной среды до завершения химических реакций; Еk - электрокинетический реактор для отделения гидроксидов тяжелых металлов, железа и коллоидных взвесей;  W - вода питьевая исходная; PW - вода очищенная.

 

 

Рис.6.1. Принципиальная схема очистки воды в установке ИЗУМРУД-М (технологический процесс очистки воды «Изумруд")

Рис.6.2. Принципиальная схема очистки воды в установке ИЗУМРУД-С (технологический процесс очистки воды «Сапфир»)

Процесс “Изумруд”. Технологическая схема процесса очистки воды “Изумруд” изображена на рис.6.1. Последовательность стадий очистки воды в соответствии с указанными выше условными обозначениями технологических процессов может быть записана в виде: AT® LCO ® HCD ® CT. Процесс “Изумруд” используется для очистки питьевой воды нормальной минерализации (0,2 - 1,0 г/л) от микроорганизмов всех видов и форм, органических примесей, например, фенолов, а также для нейтрализации ионов тяжелых металлов.

 

Процесс “Сапфир” (рис. 6.2) включает следующие стадии очистки воды: AT+ ITa®c ® LCO ® HCD.        Процесс “Сапфир” применяется для очистки воды от микроорганизмов всех видов и форм, фенолов, других органических соединений, а также для извлечения и удаления из воды ионов тяжелых металлов: Hg2+, Pb2+, Cd2+ и др. Кроме того, вода в процессе очистки обогащается кислородом.

 

Процесс “Кристалл” (рис.6.3) имеет следующую последовательность стадий очистки следующая: AT(1) + ITa®c(1) ® LCO ® HCD ® CT(2) + ITc®a(2). Цифры в скобках указывают номер реактора в гидравлической схеме очистки воды.

Рис.6.3. Принципиальная схема очистки воды в установке ИЗУМРУД-К (технологический процесс очистки воды «Кристалл»)

          Процесс “Кристалл” используется для очистки питьевой воды с несколько повышенной минерализацией от микроорганизмов всех видов и форм, органических соединений, в частности, фенолов, для удаления избытка солей, для извлечения и удаления из воды ионов тяжелых металлов, а также ионов нитратов, нитритов, сульфатов.

Рис.6.4. Принципиальная схема очистки воды в установке ИЗУМРУД-МФ (технологический процесс очистки воды «Рубин»)

 

Процесс “Рубин” (рис. 6.4) включает следующую последовательность стадий очистки воды: CT ®  FT + EFT ® AT ® HCD. Данный процесс используется для очистки питьевой воды от микроорганизмов всех видов и форм, токсичных органических соединений, ионов тяжелых металлов, в том числе избытка ионов железа, частичного устранения мутности. В процессе очистки в воде сохраняются необходимые организму человека ионы кальция, магния, калия, фтора, вода насыщается кислородом.

 

Рис.6.5.  Принципиальная схема очистки воды в установке ИЗУМРУД-КФ (технологический  процесс очистки воды «Аквамарин»)

Процесс “Аквамарин” (рис. 6.5) состоит из следующих стадий:  CT(1) + ITc®a(1) ® FT + EFT ® AT(2) + ITa®c(2)  ®  HCD и предназначен для очистки воды от микроорганизмов всех видов и форм, токсичных органических соединений, ионов тяжелых металлов, в том числе избытка ионов железа, нитратов, нитритов, частичного устранения мутности. В процессе очистки в воде также сохраняются необходимые организму человека ионы кальция, магния, калия, фтора, вода насыщается кислородом.

 

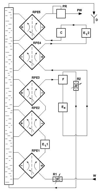
Процесс «Аметист» (рис.6.6) состоит из следующих стадий: AT(1) + ITa®c(1) ® LCO(1) ® CT(2) + ITc®a(2)  ® CT(3) + ITc®a(3) ® EFT ® EKT ® AT(4)  + ITa®c(4) ®  LCO(2) ® HCD ® CT(5) + ITc®a(5) и является в настоящее время наиболее совершенным и эффективным. Вода при очистке последовательно проходит электродные камеры пяти реакторов, и в каждой из них осуществляются процессы электромиграционного удаления ионов. В катодных камерах удаляются ионы нитратов, нитритов, в анодных - ионы тяжелых металлов, в том числе, железа. Во флотационном реакторе, работающем под давлением, осуществляется удаление тяжелых металлов в виде нерастворимых в воде гидроксидов. Также во флотационном реакторе удаляются коллоидные частицы. Эффективность электрофлотации в процессе «Аметист» достигает 95 %, поскольку в качестве флотоагента выступает смесь пузырьков электролитически полученных газов - водорода и кислорода, несущих на межфазной границе раздела электрический заряд. Оставшиеся в воде после флотационного реактора нерастворимые частички гидроксидов и коллоидные взвеси удаляются в электрокинетическом реакторе. Следующие стадии обработки воды - обработка в анодной камере, выдержка в емкости для завершения окислительных процессов с помощью катализаторов-переносчиков заряда и в гетерофазном каталитическом реакторе позволяют гарантированно доочистить воду от органических веществ - ксенобиотиков и споровых форм микроорганизмов.  Последующая обработка в катодной камере придает воде окислительно-восстановительный  потенциал, благотворно влияющий на обменные процессы в организме. 

 

Рис. 6.6 Принципиальная схема очистки воды в установке ИЗУМРУД - АМ (технологический процесс очистки воды «Аметист»)

Процесс «Топаз»  (рис. 6.7) включает следующие стадии очистки воды: AT(1) + ITa®c(1) ®LCO ® HCD ® CT(2) + ITc®a(2) ® EFT ® EKT. Наличие электрокинетического реактора в схеме очистки воды позволяет эффективно удалять из очищаемой воды ионы тяжелых металлов, в том числе железа, в виде нерастворимых гидроксидов, а также коллоидные взвеси.

 

Процесс «Агат» (рис. 6.8) состоит из следующих стадий очистки воды: AT + ®LCO ® HCD ® CT  ® EFT ® EKT.  Он является самым простым из процессов с применением электрокинетического реактора и также обеспечивает удаление из воды ионы тяжелых металлов, железа и коллоидных взвесей.

 

6.3. Структурные и энергетические изменения воды в процессе очистки в установках Изумруд.

 

          Под влиянием электрического поля двойного электрического слоя (ДЭС) структурная сетка водородных связей разрыхляется, молекулы воды обретают дополнительные степени свободы, что облегчает усвоение такой активированной в электрическом поле воды клетками живых организмов и ускоряет удаление биологических шлаков.

Аналогом процесса структурной модификации воды в электрическом поле ДЭС являются фазовые переходы при таянии льда (талая вода), структурные превращения воды в  электрических разрядах грозовых ливней,  или физико-химические воздействия, которым подвергается вода на большой глубине в горных породах при высокой температуре в начальной стадии формирования целебных минеральных источников. Однако, обработка воды в электрическом поле ДЭС  отличается намного большей глубиной преобразования ее структуры  и ярко выраженной направленностью воздействия: электрондонорного у катода и электронакцепторного у анода.

Вода, очищенная в установках ИЗУМРУД, изменяет свое энергетическое состояние, лучше усваивается клетками организма и оказывает благотворное воздействие на процессы обмена веществ: ускоряет выведение шлаков и способствует наиболее полному усваиванию питательных веществ. Ниже кратко рассмотрен механизм этих процессов.

Основными процессами, обеспечивающими жизнедеятельность любого организма, являются окислительно-восстановительные реакции, т.е. реакции, связанные с передачей или присоединением электронов. Энергия, выделяемая в ходе этих реакций, расходуется на поддержание гомеостаза (относительное динамическое постоянство состава и свойств внутренней среды и устойчивость основных физиологических функций организма) и регенерацию клеток организма, т.е. на обеспечение процессов жизнедеятельности организма соответственно в настоящем и будущем. 

 

Рис. 6.7 Принципиальная схема очистки воды в установке ИЗУМРУД-ТЗ (технологический процесс очистки воды «Топаз»)

          Одним из наиболее значимых факторов регулирования параметров окислительно-восстановительных реакций, протекающих в любой жидкой среде, является активность электронов или, иначе, окислительно-восстановительный потенциал (ОВП) этой среды.

          ОВП внутренней среды организма человека, измеренный на платиновом электроде относительно хлорсеребряного электрода

сравнения, в норме всегда меньше нуля, т.е. имеет отрицательные значения, которые обычно находятся в пределах от -100 до -200 милливольт (мВ). ОВП питьевой  воды, измеренный таким же способом практически всегда больше нуля и обычно находится в пределах от +100 до +400 мВ.  Это справедливо практически для всех типов питьевой воды, - той, которая течет из водопроводных кранов во всех городах мира, которая продается в стеклянных и пластиковых бутылках,  которая получается после очистки в установках обратного осмоса и большинства разнообразных больших и малых водоочистительных систем.

Указанные различия ОВП внутренней среды организма человека и питьевой воды означают, что активность электронов во внутренней среде организма человека намного выше, чем активность электронов в питьевой воде.

Рис. 6.8 Принципиальная схема очистки воды в установке ИЗУМРУД-АТ (технологический процесс очистки воды «Агат»)

Активность электронов является важнейшей характеристикой внутренней среды организма, поскольку напрямую связана с фундаментальными процессами жизнедеятельности. Практически все биологически важные системы, определяющие аккумуляцию и потребление энергии, репликацию и передачу  наследственных признаков, всевозможные ферментативные системы организма, содержат молекулярные структуры с разделенными зарядами, напряженность электрического поля между которыми достигает 104 - 106 В/см. Исследования последних лет позволили установить, что именно эти поля в значительной мере определяют перенос зарядов в биологических системах и обусловливают селективность и автоконтроль отдельных стадий сложных биохимических превращений, и что ОВП, как показатель активности электронов, оказывает значительное влияние на функциональные свойства электроактивных компонентов биологических систем.

Когда обычная питьевая вода проникает в ткани человеческого (или иного) организма, она отнимает электроны от клеток и тканей, которые состоят из воды на 80 - 90%. В результате этого биологические структуры организма (клеточные мембраны, органоиды клеток, нуклеиновые кислоты и другие) подвергаются окислительному разрушению. Так организм изнашивается, стареет, жизненно-важные органы теряют свою функцию. Но эти негативные процессы могут быть замедлены, если в организм с питьем и пищей поступает вода, обладающая свойствами внутренней среды организма, т.е. обладающая защитными восстановительными свойствами. Это подтверждается многочисленными исследованиями в специализированных научных центрах в России и за рубежом.

          Для того, чтобы организм оптимальным образом использовал в обменных процессах питьевую воду с положительным значением окислительно-восстановительного потенциала,  ее ОВП должен соответствовать значению ОВП внутренней среды организма. Необходимое изменение ОВП воды в организме  происходит за счет затраты электрической энергии клеточных мембран, т.е.


 

 

                                                                                                                                                                       Таблица 6.3

Сравнительные сервисные и экономические характеристики некоторых бытовых водоочистителей.

 

Установка

Стоимость установки,

долл. США

Q

л/час

Потребность в сменных элементах (их стоимость, долл. США)

T20

часы

TЭ

дни

“Колибри”

8

70

Есть

0,3

25

“Гейзер”

9

30

Есть

0,67

250 (25)

“Барьер”

12

8

Есть (8)

2,5

25

Brita

25

15

Есть (6)

1,3

7,5

Instapure F-3CE

28

170

Есть

0,12

38

Nerox

40

0,83

Сменный модуль

24

125

Аквалон

16

8

Сменный модуль

3 - 3,5

250

ИЗУМРУД,модели:

М,К,С,МФ,КФ,А,Т

45 - 150

50 - 60

Сменные элементы

 не требуются

0,3 - 0,4

    1825 (5 лет)

(10 - 200)

Nimbus 3

170

1

Есть (83)

20

180-200

Nimbus CS-2

390

1

Есть (90)

20

180-200

Instapure RO-100

650

0,8

Есть

24

180-200

 

 

Таблица 6.4.

Технические характеристики бытовых установок ИЗУМРУД.

Наименование

ID

SR

CL

MF

CF

AT

TZ

AM

Уменьшение микробиологического загрязнения воды, %

до 99,9

до 99.99

до 100

до 100

до 100

до 100

до 100

до 100

Уменьшение содержания органических вредных веществ (фенолов, гербицидов, пестицидов, тригалометанов), %

до 90

до 94

до 97

до 90

до 98

до 96

до 99

до 99,9

Нейтрализация (удаление) ионов тяжелых металлов, нитратов, нитритов, %

до 80

до 86

до 89

до 85

до 95

до 97

до 98

до 99,7

Устранение мутности, %

-

-

-

до 90

до 95

до 97

до 98

до 99

Минерализация очищаемой воды, г/л

0.2-1.0

0.2-1.0

0.2-1.0

0.2-1.0

0.2-1.0

0,2-1,0

0,2-1,0

0,2-1.3

Напряжение питающей электрической сети, В

220 ±22

220 ±22

220 ±22

220 ±22

220 ±22

220

220 ±22

220 ±22

Частота питающей электрической сети, Гц

50-60

50-60

50-60

50-60

50-60

50-60

50-60

50-60

Потребляемая электрическая мощность, Вт

30

30

60

30

60

30

60

150

Температура очищаемой воды, °С

+8…+35

+8…+35

+8...+35

+8...+35

+8...+35

+8...+35

+8...+35

+8...+35

Габаритные размеры, мм

230х50х300

230х50х300

230х50х300

230х50х300

230х50х300

230х50х300

230х50х300

500х150х500

Вес, кг

1.2

1.2

1.9

1.1

1.9

1,5

1,9

7,0

 


энергии самого высокого уровня, энергии, которая фактически является конечным продуктом биохимической цепи трансформации питательных веществ.           Количество энергии, затрачиваемой организмом на достижение биосовместимости воды, пропорционально ее количеству и разности ОВП воды и внутренней среды организма.

          Если поступающая в организм питьевая вода имеет ОВП близкий к значению ОВП внутренней среды организма человека, то электрическая энергия клеточных мембран (жизненная энергия организма) не расходуется на коррекцию активности электронов воды и вода тотчас же усваивается, поскольку обладает биологической совместимостью по этому параметру. Если питьевая вода имеет  ОВП более отрицательный, чем ОВП внутренней среды организма, то она подпитывает его этой энергией, которая используется клетками как энергетический резерв антиоксидантной защиты организма от неблагоприятного влияния внешней среды. Вода, очищенная в установке ИЗУМРУД  в соответствии с технологическим процессом «Аметист» всегда имеет отрицательный окислительно-восстановительный потенциал. 

 

Таким образом, электрохимическая очистка воды в установках Изумруд обеспечивает:

-  полное обеззараживание воды;

-  эффективное удаление или полную деструкцию токсических элементов и соединений;

-  удаление избыточных концентраций солей и компонент твердого осадка;

-  направленное изменение окислительно-восстановительного потенциала и повышение биологической ценности воды при сохранении нейтральных кислотно-щелочных характеристик ;

-  сохранение необходимого для организма количества биологически полезных микро- и ультрамикроэлементов.

 

При условной норме потребления очищенной питьевой воды 20 л  в день на семью 4 - 5 человек (при полном переходе на употребление очищенной воды),  эксплуатационные и экономические характеристики некоторых водоочистителей (отечественных и зарубежных) выглядят следующим образом (см. таблицу  6.3).

В табл. 6.3 суммированы следующие данные:

стоимость установки, долл. США;

производительность (Q), л/час;

потребность в сменных элементах;

время, в течение которого непрерывно работающая установка производит суточный объем  (20 л) очищенной воды на одну  семью  (T20 = 20 : Q), час;

время эксплуатации до замены картриджа или всей установки после исчерпания ресурса при условии полного ежедневного снабжения семьи очищенной водой (?Э =номинальный ресурс, л : 20, дни) в скобках указан интервал времени (дни) между сеансами промывки (регенерации) картриджа, если это предусмотрено техническими условиями.

При анализе данных табл. 6.3  учитываются  следующие сервисные требования к водоочистителям:

время получения суточного объема очищенной воды должно быть по  возможности более коротким и не должно требовать непрерывной работы  установки в течение периода эксплуатации;

смена картриджа или всей установки (или промывка и регенерация установки) не должны быть слишком частыми; удельные экономические затраты при получении очищенной воды должны быть минимальными.

 

Модели установок в табл. 6.4 ранжированы по показателям стоимости комплекта поставки.

 

Для некоторых моделей водоочистителей стоимость сменного картриджа не указана. В других случаях стоимость сменного картриджа составляет от 23% до 67% стоимости всей установки (от 6 до 90 долл. США). Установка Brita с  номинальным ресурсом для московской воды 150 л при полном суточном обеспечении семьи очищенной водой требует смены картриджа каждые 7-8 дней при суммарных затратах 317 долл. США в год.  Модуль Nerox требует замены 3 раза в год  при суммарных затратах 120 долл. США.  Аналогичные затраты при эксплуатации фильтра “Барьер” составят около 130 долл. США в год, “Аквалон” - 23 долл. США в год. Замена картриджей установок Nimbus приблизительно дважды в год требует около 160 - 180 долл. США (без учета исходной стоимости установки). Это не так  много по стандартам богатых стран   (при интенсивной  эксплуатации водоочистителей в течение года  себестоимость одного литра очищенной воды не превысит 20 центов), но неприемлемо для страны, где средний  годовой доход работающего едва превышает 100 долл. США.

Наиболее дорогостоящая модель установки ИЗУМРУД приблизительно за полчаса  обрабатывает объем воды, достаточный для суточных потребностей семьи из нескольких человек (около 20 л/сут.). Дополнительных затрат на обслуживание установка при правильной эксплуатации практически не требует.  Себестоимость одного литра воды, очищенной на установках ИЗУМРУД в течение всего срока эксплуатации (5 лет), измеряется долями американского цента. При пересчете на стоимость бутылочной питьевой воды установки ИЗУМРУД окупаются за несколько дней.

 

Таблица 6.5.

Производительность установок ИЗУМРУД различных моделей

 

Мод.01, мод.02

Мод.200-01; 02

Мод.500-01; 02

Мод.1000-01; 02

40-60л/ч

200 л/ч

500 л/ч

1000 л/ч

 

 




загрузка...